Tension Struts Chrysler 300

Chrysler Oem Front Tension Strut ab Walmart Com Walmart Com
05 10 Dodge Charger Chrysler 300 Front Tension Strut Set Mopar Oem Ebay

Amazon Com Dodge Charger Chrysler 300 Tension Strut Set Oem Mopar Automotive

aa aa Control Arm Front Suspension Strut For Chrysler 300 Dodge Challenger Dodge Charger Buy ab ab ab ab Suspension Strut Rod For Chrysler Pt Cruiser Tension Strut For Chrysler
Question Regarding Suspension Bushings Chrysler 300c Srt8 Forums
15 Mopar Tension Strut Left ab Mopar Wholesale Parts

07 Chrysler 300 Top Speed

Drivers Front Lower Control Arm Tension Strut Replacement For Chrysler 300 Dodge Charger Challenger Magnum ab Control Arms Amazon Canada
How To Swaybars Tension Strut Install Info Suspension Torque Specs Dodge Srt Forum
What Is The Part On A 1999 Chrysler 300m It Might Be A Torsion Bar It Has Bushing On Both Ends It Is Bent In The

Amazon Com Dodge Charger Chrysler 300 Tension Strut Automotive
11 Mopar Tension Strut Right ad Steve White Parts

Help Is There A Difference In Oem Tension Strut Bolt Vs Pedders Tension Strut Bolt

Tension Struts Charger Forums

I Have A 05 Chrysler 300 And Have A Clunk In The Front End Whenever I Hit A Small Bump Have Replaced Tie Rod Ends

Amazon Com Dodge Charger Chrysler 300 Tension Strut Automotive

Amazon Com Control Arm Compatible With 11 17 Chrysler 300 Dodge Charger Front Lower Tension Strut Passenger Side Automotive
Q Tbn 3aand9gcscwdmfsx2 D2nb9sh4h1jamk8pcbyhws5asyatbm68t0yopd7k Usqp Cau

11 Chrysler Dodge Right Front Passenger Side Tension Strut New Mopar Oem Ebay

Tension Strut Tension Arm How To Replace Dodge Charger Magnum Daytona Ram 300 0 100 Youtube

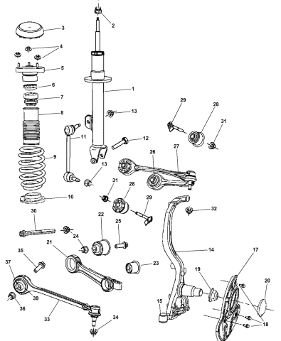
Chrysler 300 300 Touring 300c Dodge Magnum Manual Part 31

11 Mopar Tension Strut Left ac My Mopar Parts

Amazon Com Chrysler Dodge Right Left Front Tension Strut New Mopar Oem Automotive

Chrysler 300 300 Touring 300c Dodge Magnum Manual Part 18

Chrysler 300c Suspension Pedders Suspension Uk

11 17 Dodge Charger Chrysler 300 Front Right Tension Strut af Oem Ebay

Chrysler 300 Dodge Challenger Charger Magnum Set Of Front Lower Control Arm Tension Struts Everydayautoparts Com

Right Front Tension Strut For Misc 11 19 Chrysler 300 Dodge Charger Challenger Jeephut Offroad
Car Truck Parts Left Tension Strut Thema Lx 11 ae Front Chrysler 300 Smaitarafah Sch Id

Control Arm For 11 15 Chrysler 300 Tension Strut Front Right Lower Car Truck Ball Joints Parts Auto Parts And Vehicles Tamerindsa Com Ar

Amazon Com Dodge Charger Chrysler 300 Tension Strut Automotive

Strange Noises And Vibrations Dodgeintrepid Net Forums

ae Genuine Mopar Strut Tension

Diagnose And Repair Dodge Charger Front End Noise
Q Tbn 3aand9gcraobouerlcqixhhylhi3 Ur0l2zeyo4lykki Qc1gafz42zi8i Usqp Cau
Chrysler Archives Rpm Auto Specialists
Oem 12 Chrysler Town Country Bushing Bolt Part aa
Suspension Parts Chrysler 300c Srt8 Forums

Chrysler 300 Dodge Magnum Charger Set Of Front Lower Control Arm Tension Struts Ebay

Control Arm For 11 15 Chrysler 300 Tension Strut Front Right Lower

Amazon Com Dodge Charger Chrysler 300 Tension Strut Automotive

2x Front Lower Control Arm Chrysler 300 Charger Magnum Challenger Tension Strut Ebay

11 Mopar Tension Strut Left ag Getoemparts Com

Chrysler 300 Tension Bar Replacement Youtube
Loose Rattle In Front Suspension Page 3 Chrysler 300c Srt8 Forums
11 Mopar Tension Strut Left ag My Mopar Parts

Chrysler 300 300 Touring 300c Dodge Magnum Manual Part 64

Front Suspension Strut And Cradle For 11 Chrysler 300 Thomas Dodge Parts

Lower Control Arm S

Tension Strut Front Right Dodge Charger The Struts Dodge Magnum

Chrysler 300 Dodge Challenger Charger Magnum Set Of Front Lower Control Arm Tension Struts Everydayautoparts Com

Has The Tension Struts Replaced And A Front End Alain Done And Still Getting The Clunk On The Left Front When I Hit A

2pc Control Arm Front For 05 10 300 Charger Magnum Challenger Tension Strut ac Control Arms Parts Aliexpress

ab Genuine Mopar Strut Tension

Tension Strut ae Fits Lc Dodge Challenger 08 14 Ld Dodge Charger 11 18 Lx Dodge Charger 06 10 Lx Dodge Magnum 05 10 Lx Chrysler 300 05 18 Overly S Off Road Jeep 4x4 Parts Online Auto Repair

Brock Lower Control Arm Tension Strut Driver Front Replacement For 05 10 Chrysler 300 Dodge 06 10 Charger 08 10 Challenger 05 08 Magnum ab Walmart Com Walmart Com

Ultimate Dodge Dodge Charger Struts

Front Suspension Strut And Cradle For 12 Chrysler 300 Big Mopar Parts

05 10 Dodge Challenger Chrysler 300 Tension Strut Control Arm Right Front Mopar Ebay
Blown Shocks Chrysler 300c Srt8 Forums
Suspension Parts Chrysler 300c Srt8 Forums

Tension Strut Left

Moog Chrysler 300 Rwd 10 Problem Solver Front Control Arm And Ball Joint Assembly

Alignment Specs 06 16 Chrysler Lx Ld

Crown ac Tension Strut Sold Individually

12 Dodge Charger 5 7l Rt Front Lower Control Arm Youtube

Tension Strut The Same As A Control Arm Please Help The Noob

Their Ride Quality Depends On It Mopar Magazine

Amazon Com Dodge Charger Chrysler 300 Tension Strut Set Oem Mopar Automotive

2pc Control Arm Front For 05 10 300 Charger Magnum Challenger Tension Strut ac Control Arms Parts Aliexpress

Can We Put This Myth To Bed Archive Lx Forums Dodge Charger Challenger Magnum Hellcat Srt Chrysler 300 Forum

11 Chrysler Dodge Left Front Drivers Side Tension Strut New Mopar Oem For Sale Online

Chrysler Oem Front Tension Strut ae Walmart Com Walmart Com

Their Ride Quality Depends On It Mopar Magazine
Q Tbn 3aand9gcq53kt6b31tyjxojuwxbmej27gfmcmaogx6dg7tqttt3t Rvjng Usqp Cau

Control Arm For 11 15 Chrysler 300 Tension Strut Front Right Lower

Chrysler 300c Front Upper Lower Control Arm Wishbone Suspension Tension Strut 154 90 Picclick Uk

07 10 Mopar Tension Strut Left ab My Mopar Parts

Amazon Com Dodge Charger Chrysler 300 Tension Strut Set Oem Mopar Automotive

Diagnose And Repair Dodge Charger Front End Noise

Srt8 300c Struts Lower Control Arm Replacement Youtube

Amazon Com Apdty Strut Tension Rod Control Arm W Bushing Ball Joint Fits Front Lower Right Rwd Rear Wheel Drive Models Only Except Awd Replaces ab aa ad ac Automotive
Suspension Diagram Charger Forums

Front Rear 06 Rt Suspension Install Advice Needed

Front Suspension Strut And Cradle For Chrysler 300 Thomas Dodge Parts

Strange Noises And Vibrations Dodgeintrepid Net Forums
Chrysler 300 Tension Strut ag Moparonlineparts Mopar Parts

Ttcr Ii Suspension Strut Bar For Chrysler 300c Car Styling Accessories Stabilizer Bar Aluminum Alloy Bar Tension Rod Strut Bars Aliexpress
Q Tbn 3aand9gcs6douzhegac9fxu75h57sqniqvsjfhxxqbbyrwfrxek7gcj4fz Usqp Cau
Tension Strut Chrysler 300c Srt8 Forums

Amazon Com Dodge Charger Chrysler 300 Tension Strut Set Oem Mopar Automotive

Tension Strut Left

Chrysler 300 300 Touring 300c Dodge Magnum Manual Part 31

Alignment Specs 06 16 Chrysler Lx Ld

Amazon Com Dodge Charger Chrysler 300 Tension Strut Set Oem Mopar Automotive

How To Replace Front Struts 05 10 Chrysler 300 Youtube

Clunking Noise In Front End Custom Dodge Magnum Forums
Loose Rattle In Front Suspension Page 3 Chrysler 300c Srt8 Forums

2pc Control Arm Front For 05 10 300 Charger Magnum Challenger Tension Strut ac Control Arms Parts Aliexpress

11 19 Chrysler 300 Charger Challenger Left Front Tension Strut Factory Mopar New Ebay

Diagnose And Repair Dodge Charger Front End Noise

Crown Chrysler 300 Rwd With Sport Suspension 18 Front Tension Strut

Front Suspension Strut And Cradle For 09 Chrysler 300 Thomas Dodge Parts

Front Tension Strut ac af ac af For 11 16 Dodge Charger Chrysler 300 Buy ac ac Chrysler 300c Front Suspension Lateral Arm Jeep Patriot Control Arm For Chrysler Pt Cruiser Chrysler